سنڌي
|
ماڊل ٽيپ نمبر |
SG - DTM06U (سي، م) 2 - x |
SG - DTM06U (سي، م) 2 - TX |
SG - DTM03U (سي، م) 2 - x |
SG - DTM03U (سي، م) 2 - TX |
SG - DTM02U (c) 2 - x |
SG - DTM02U (سي) 2 - TX |
|
حرارتي ماڊل |
||||||
|
تصويري سينسر |
اڻ کٽ ويڪس مائڪروبلوٽرٽر |
|||||
|
پکسل جو وقفو |
12 μm |
|||||
|
جوابي لهر |
8 μm کان 14μm |
|||||
|
وڌ. قرارداد |
640 × 512 |
384 × 228 |
256 × 192 |
|||
|
فريم جي شرح (ايف پي ايس) |
50 |
25 |
50 |
25 |
50 |
25 |
|
لينس (مرڪزي ڊيگهه) |
9.1 / 13/19/25 ايم ايم |
9.1 / 13 ايم ايم |
4/7 / 10mm |
|||
|
ايف نمبر |
F1.0 / F1.0 / F1.1 / F1.2 |
F1.0 |
F1.0 |
|||
|
ڏسڻ جو ميدان (ايڇ × v) |
45.9 ° ° × 36.9 ° / 32.9 ° × 26.6 ° / 22.6 ° ° × 18.2 ° / 17.3 ° × 13.8 ° |
28.7 ° × 21.7 ° / 20.1 ° × 15.1 ° |
46.8 ° ° ° 1.1 ° / 24.6 ° × 18.5 ° / 16.9 ° × 12.8 ° |
|||
|
مقرر جو انداز |
ن / هڪ |
مدد ڪريو |
ن / هڪ |
مدد ڪريو |
ن / هڪ |
مدد ڪريو |
|
درجه حرارت جي ماپ |
||||||
|
درجه حرارت جي حد |
ايل ٽي موڊ: - - - 20 ° C ~ + 150 ° C؛ HT موڊ: 0 ° C ~ + 550 ° C |
|||||
|
ماپ جي غلطي |
وڌ (± 2 ° C، ± 2٪)؛ آپريٽنگ ٽام: - - - - 20 ° C ~ + 50 ° C |
|||||
|
تصويري ڊسپلي |
||||||
|
تصويري ترتيب |
چمڪ، برعڪس، تيز |
|||||
|
تفصيل وڌائڻ |
مدد ڪريو |
|||||
|
حاصل ڪيو |
خودڪار / دستور |
|||||
|
شور جي گھٽتائي |
2 ڊي / 3D |
|||||
|
فلپ |
مدد ڪريو |
|||||
|
آئينو |
مدد ڪريو |
|||||
|
پيسو - رنگ |
18 رنگن جو رنگ ترتيب ڏنل |
|||||
|
ڪراسير |
ڊسپلي / غائب / لڪايو |
|||||
|
تصويري پروسيسنگ |
نوڪ اصلاح، ڊجيٽل شور فلٽر، ڊي ڊي ڊي |
|||||
|
وڊيو |
||||||
|
وڊيو ريف |
UVC / BT.656 / MIPI / LVDS / CVBS |
يو وي سي / سي وي ايس |
||||
|
توسيع انٽرفيس |
USB / MIPI / CVBS / قسم - سي |
USB / CVBS / قسم - سي |
||||
|
صحيح ڄکيت جي ڳالهن |
UART سيريل پورٽ |
|||||
|
جنرل |
||||||
|
طاقت |
ڊي سي 4.5 ~ 5.5v؛ CVBS: ڊي سي 4.5-20v |
|||||
|
بجلي جواستعمال |
≤0.7w@25 °CC |
≤0.7w@25 °CC |
≤0.55WN@25 °CC |
|||
|
ڪم ڪندڙ حرارت |
- 40 ° C ~ 70 ° C |
|||||
|
اسٽنڊ جو ميڙ |
- 40 ° C ~ 80 ° C |
|||||
|
گھرف علم |
≤95٪ rh (غير - - ڪنڊيشننگ) |
|||||
|
جھٽڪو |
6.06G بي ترتيب، 3 - محور، سائن وائي وينج |
|||||
|
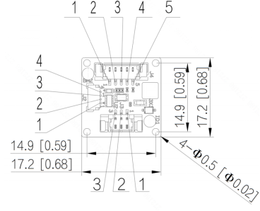
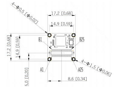
جي dڪي |
17.3 ايم ايم * 17.3mm * 10.8mm (لينس اسپيڪر انگوٽي پليٽ پليٽ) |
|||||
|
وزن جو وزن |
5g (لينس اسپيڪر انگوزي جي دم پليٽ) |
|||||




پنهنجو پيغام ڇڏي ڏيو

